GB30720 Standard Aluminum Pans for Domestic Gas Cooking Appliance
1. Introduction
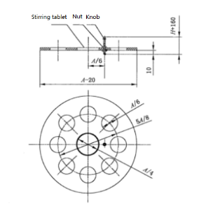
The Standard aluminum Pans are designed according to GB30720:2014. The test pans are made of commercial quality aluminum with density of 2700kg/m2, and treated by electrochemical to make the pans apprears matte-black to meet the chroma requirements of L≤50, a≤±10, b≤±10. Using a tightening joint to secure the mercury thermometer with a through hole range of 3.0 mm -7.0 mm, the stir tray is made of stainless steel with thickness 1mm.
2. Parameter

| Pan surface treatment requirements: Matt black bottom pan, the chroma requirements: L≤50, -10≤a≤±10, -10≤b≤±10 (test condition: Adopt SCI method, standard observation angle is 10°, use D65 standard light source) |
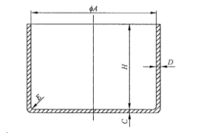
Pan: 
| Lid: 
|
Stirrer and stir tray: 
Note 1: A is the inner diameter of the pan, H is the depth of pan Note 2: Part material: stir tray is made of aluminum plate with thickness of 1mm, knob is made of φ4 stainless steel rod |